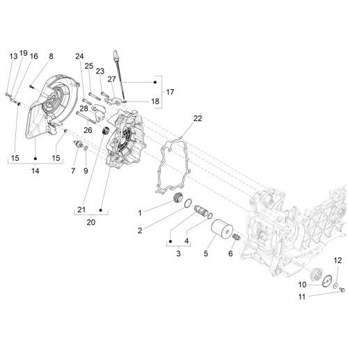
Ο-ΡΙΝΓΚ ΤΑΠΑΣ ΛΑΔΙΟΥ M01-M04-M20-M27-M28 για Beverly 250 tourer e3 2007-2009

0,24 

Το προϊόν είναι συμβατό με το μοντέλο Beverly 250 tourer e3 2007-2009 (Αριθμός πλαισίου: ZAPM28801)

Θέση ανταλλακτικού στο σχεδιάγραμμα: 3

Κοινοποίησε το προϊόν

Facebook
Twitter
Pinterest
Tumblr
WhatsApp
Email
Print

Επίλεξε τρόπο αναζήτησης

* Μόνο για ανταλλακτικά

Αναζήτηση Προϊόντων

Πληροφορίες για την αναζήτηση με αριθμό πλαισίου

Εισάγετε ολόκληρο τον αριθμό πλαισίου της μηχανής σας. Επίσης, μπορείτε να εισάγετε μέρος του αριθμού πλαισίου, με τουλάχιστον 5 χαρακτήρες.

Λόγω τεχνικών περιορισμών καθώς και διαμοιρασμού αριθμών πλαισίου σε πολλά μοντέλα, ενδέχεται να εμφανιστούν παραπάνω από 1 μοντέλα. Αν δεν είστε σίγουροι ποιο μοντέλο είναι σωστό, παρακαλούμε επικοινωνήστε μαζί μας για να σας εξυπηρετήσουμε!