ΣΥΝΕΜΠΛΟΚ ΜΠΡΑΤΣΟΥ ΚΙΝ BEV 300 ΜΥ10 ΚΟΜΠ για Beverly 300 rst 4t 4v ie e3 2010-2015

92,00 

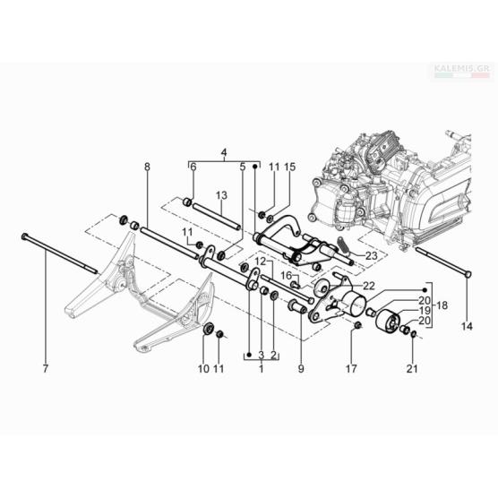
Το προϊόν είναι συμβατό με το μοντέλο Beverly 300 rst 4t 4v ie e3 2010-2015 (Αριθμός πλαισίου: ZAPM692)

Θέση ανταλλακτικού στο σχεδιάγραμμα: 18

Κοινοποίησε το προϊόν

Facebook
Twitter
Pinterest
Tumblr
WhatsApp
Email
Print

Επίλεξε τρόπο αναζήτησης

* Μόνο για ανταλλακτικά

Αναζήτηση Προϊόντων

Πληροφορίες για την αναζήτηση με αριθμό πλαισίου

Εισάγετε ολόκληρο τον αριθμό πλαισίου της μηχανής σας. Επίσης, μπορείτε να εισάγετε μέρος του αριθμού πλαισίου, με τουλάχιστον 5 χαρακτήρες.

Λόγω τεχνικών περιορισμών καθώς και διαμοιρασμού αριθμών πλαισίου σε πολλά μοντέλα, ενδέχεται να εμφανιστούν παραπάνω από 1 μοντέλα. Αν δεν είστε σίγουροι ποιο μοντέλο είναι σωστό, παρακαλούμε επικοινωνήστε μαζί μας για να σας εξυπηρετήσουμε!